
Manufacturing standards: GB/T 14382-2008
Structural length standard: DIN EN 558-1
Flange standard: DIN EN 1092-2
Test standards: DIN EN 12266-1
Technical Specifications:
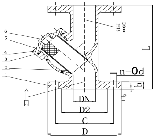
| No. | Part | Material | |
| 1 | Body | ||
| 2 | Filter | GGG40 | |
| 3 | Aprons | SS304 | |
| 4 | Bonnet | EPDM | |
| 5 | Bolt | SS304 | |
| 6 | Silk plug | SS304 | |

Dimensions(mm):
| DN | L | D | C | n-d | D2 | b | f |
| DN50 | 230 | 165 | 125 | 4-Φ19 | 99 | 19 | 3 |
| DN65 | 290 | 185 | 145 | 4-Φ19 | 118 | 19 | 3 |
| DN80 | 310 | 200 | 160 | 8-Φ19 | 132 | 19 | 3 |
| DN100 | 350 | 220 | 180 | 8-Φ19 | 156 | 19 | 3 |
| DN125 | 400 | 250 | 210 | 8-Φ19 | 184 | 19 | 3 |
| DN150 | 480 | 285 | 240 | 8-Φ23 | 211 | 19 | 3 |
| DN200 | 600 | 340 | 295 | 12-Φ23 | 266 | 20 | 3 |
| DN250 | 730 | 405 | 355 | 12-Φ28 | 319 | 22 | 3 |
| DN300 | 850 | 460 | 410 | 12-Φ28 | 370 | 25 | 4 |
| DN350 | 980 | 520 | 470 | 16-Φ28 | 429 | 26.5 | 4 |
| DN400 | 1100 | 580 | 525 | 16-Φ31 | 480 | 28 | 4 |
| DN450 | 1200 | 640 | 585 | 20-Φ31 | 548 | 30 | 4 |
| DN500 | 1250 | 715 | 650 | 20-Φ34 | 609 | 32 | 4 |
| DN600 | 1450 | 840 | 770 | 20-Φ37 | 720 | 36 | 5 |